E14R00P52
Tri Band Tower Mounted Amplifier, 1800/2100/2600 MHz, 12 dB, 2 BTS & 6 ANT ports, AISG with 1 RET connector (1 device with 2 sub-units each), with 4.3-10 connectors, 698-960 MHz Bypass
Features and benefits
- Industry leading PIM performance
- New 4.3-10 connectors for improved PIM performance and size reduction
- Designed to boost UP-Link Coverage and KPIs
- 2 input ports and 6 output ports
- 1 device with 2 sub-units
- TMA is operating in AISG mode
- TMA with 1350-1525 MHz bypass
- TMA with 698-960 MHz bypass
Specifications
Product classification
| Product Type | 2-BTS:6-ANT (Triplex) |
General specifications
| Color | Gray |
| Modularity | 2-Twin |
| Mounting | Pole | Wall |
| Mounting Pipe Hardware | Band clamps (2) |
| RF Connector Interface | 4.3-10 Female |
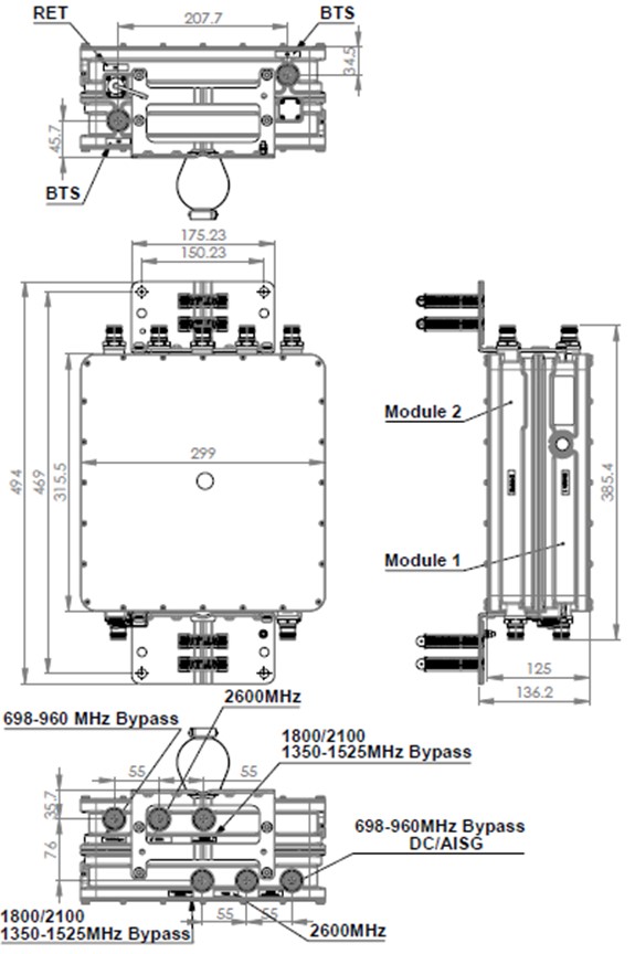
Dimensions
| Height | 316 mm | 12.441 in |
| Width | 300 mm | 11.811 in |
| Depth | 125 mm | 4.921 in |
| Mounting Pipe Diameter Range | 42.6–122 mm |
Outline drawing
| Click on image to enlarge. |
Electrical specifications
| License Band, LNA | DCS 1800 | IMT 2100 | IMT 2600 |
Electrical specifications, dc power/alarm
| dc Switching/Redundancy | Yes |
| Lightning Surge Current | 10 kA |
| Lightning Surge Current Waveform | 8/20 waveform |
Electrical specifications, aisg
| AISG Connector | 8-pin DIN Female |
| AISG Connector Standard | IEC 60130-9 |
| Protocol | AISG 2.0 |
| Voltage, AISG Mode | 10–30 Vdc |
Electrical specifications
| Sub-module | 1 | 2 | 1 | 2 | 1 | 2 |
| Branch | 1 | 2 | 3 |
| Port Designation | ANT | ANT | ANT |
| License Band | DCS 1800, LNA | IMT 2100, LNA | IMT 2600, LNA |
Electrical specifications, band pass
| Frequency Range, MHz | 698–960 | 1350–1525 | |
| Insertion Loss, typical, dB | 0.20 | 0.25 | |
| Total Group Delay, typical, ns | 5 | 15 | |
| Return Loss, typical, dB | 19 | 20 | |
| Input Power, RMS, maximum, W | 200 | 200 | |
| Input Power, PEP, maximum, W | 1,000 | 1,000 | |
| 3rd Order PIM, typical, dBc | -160 | -160 | |
| 3rd Order PIM Test Method | Two +43 dBm carriers | Two +43 dBm carriers |
Electrical specifications, rx uplink
| Frequency Range, MHz | 1710–1785 | 1920–1980 | 2500–2570 |
| Bandwidth, MHz | 75.00 | 60.00 | 70.00 |
| Gain, nominal, dB | 12.0 | 12.0 | 12.0 |
| Noise Figure, typical, dB | 1.4 | 1.5 | 1.5 |
| Total Group Delay, typical, ns | 120 | 60 | 60 |
| Return Loss, typical, dB | 20 | 20 | 20 |
| Insertion Loss - Bypass Mode, typical, dB | 2.2 | 2.0 | 2.3 |
| Return Loss - Bypass Mode, typical, dB | 16 | 16 | 16 |
Electrical specifications, tx downlink
| Frequency Range, MHz | 1805–1880 | 2110–2170 | 2620–2690 |
| Bandwidth, MHz | 75.00 | 60.00 | 70.00 |
| Insertion Loss, typical, dB | 0.50 | 0.35 | 0.45 |
| Total Group Delay, typical, ns | 50 | 25 | 30 |
| Return Loss, typical, dB | 20 | 20 | 20 |
| Input Power, RMS, maximum, W | 200 | 200 | 200 |
| Input Power, PEP, maximum, W | 2,000 | 2,000 | 2,000 |
| 3rd Order PIM, typical, dBc | -160 | -160 | -160 |
| 3rd Order PIM Test Method | Two +43 dBm carriers | Two +43 dBm carriers | Two +43 dBm carriers |
Block diagram
| Click on image to enlarge. |
Environmental specifications
| Operating Temperature | -40 °C to +65 °C (-40 °F to +149 °F) |
| Relative Humidity | Up to 100% |
| Corrosion Test Method | IEC 60068-2-11, 30 days |
| Environmental Test Method | ETSI EN 300 019-1-4 |
| Ingress Protection Test Method | IEC 60529:2001, IP67 |
Packaging and weights
| Included | Mounting hardware |
| Volume | 11.8 L |
| Weight, net | 15.5 kg | 34.172 lb |
| Weight, without mounting hardware | 14.5 kg | 31.967 lb |
Product classification
| Product Type | 2-BTS:6-ANT (Triplex) |
General specifications
| Color | Gray |
| Modularity | 2-Twin |
| Mounting | Pole | Wall |
| Mounting Pipe Hardware | Band clamps (2) |
| RF Connector Interface | 4.3-10 Female |
Dimensions
| Height | 316 mm | 12.441 in |
| Width | 300 mm | 11.811 in |
| Depth | 125 mm | 4.921 in |
| Mounting Pipe Diameter Range | 42.6–122 mm |
Electrical specifications
| License Band, LNA | DCS 1800 | IMT 2100 | IMT 2600 |
Electrical specifications, dc power/alarm
| dc Switching/Redundancy | Yes |
| Lightning Surge Current | 10 kA |
| Lightning Surge Current Waveform | 8/20 waveform |
Electrical specifications, aisg
| AISG Connector | 8-pin DIN Female |
| AISG Connector Standard | IEC 60130-9 |
| Protocol | AISG 2.0 |
| Voltage, AISG Mode | 10–30 Vdc |
Electrical specifications
| Sub-module | 1 | 2 | 1 | 2 | 1 | 2 |
| Branch | 1 | 2 | 3 |
| Port Designation | ANT | ANT | ANT |
| License Band | DCS 1800, LNA | IMT 2100, LNA | IMT 2600, LNA |
Electrical specifications, band pass
| Frequency Range, MHz | 698–960 | 1350–1525 | |
| Insertion Loss, typical, dB | 0.20 | 0.25 | |
| Total Group Delay, typical, ns | 5 | 15 | |
| Return Loss, typical, dB | 19 | 20 | |
| Input Power, RMS, maximum, W | 200 | 200 | |
| Input Power, PEP, maximum, W | 1,000 | 1,000 | |
| 3rd Order PIM, typical, dBc | -160 | -160 | |
| 3rd Order PIM Test Method | Two +43 dBm carriers | Two +43 dBm carriers |
Electrical specifications, rx uplink
| Frequency Range, MHz | 1710–1785 | 1920–1980 | 2500–2570 |
| Bandwidth, MHz | 75.00 | 60.00 | 70.00 |
| Gain, nominal, dB | 12.0 | 12.0 | 12.0 |
| Noise Figure, typical, dB | 1.4 | 1.5 | 1.5 |
| Total Group Delay, typical, ns | 120 | 60 | 60 |
| Return Loss, typical, dB | 20 | 20 | 20 |
| Insertion Loss - Bypass Mode, typical, dB | 2.2 | 2.0 | 2.3 |
| Return Loss - Bypass Mode, typical, dB | 16 | 16 | 16 |
Electrical specifications, tx downlink
| Frequency Range, MHz | 1805–1880 | 2110–2170 | 2620–2690 |
| Bandwidth, MHz | 75.00 | 60.00 | 70.00 |
| Insertion Loss, typical, dB | 0.50 | 0.35 | 0.45 |
| Total Group Delay, typical, ns | 50 | 25 | 30 |
| Return Loss, typical, dB | 20 | 20 | 20 |
| Input Power, RMS, maximum, W | 200 | 200 | 200 |
| Input Power, PEP, maximum, W | 2,000 | 2,000 | 2,000 |
| 3rd Order PIM, typical, dBc | -160 | -160 | -160 |
| 3rd Order PIM Test Method | Two +43 dBm carriers | Two +43 dBm carriers | Two +43 dBm carriers |
Environmental specifications
| Operating Temperature | -40 °C to +65 °C (-40 °F to +149 °F) |
| Relative Humidity | Up to 100% |
| Corrosion Test Method | IEC 60068-2-11, 30 days |
| Environmental Test Method | ETSI EN 300 019-1-4 |
| Ingress Protection Test Method | IEC 60529:2001, IP67 |
Packaging and weights
| Included | Mounting hardware |
| Volume | 11.8 L |
| Weight, net | 15.5 kg | 34.172 lb |
| Weight, without mounting hardware | 14.5 kg | 31.967 lb |
| Click on image to enlarge. |
| Click on image to enlarge. |
Installation & videos
Installation instruction
Filter Products – Designed for PIM Excellence
Filter Products – Designed for PIM Excellence
Documentation & downloads