E14R00P16
Dual Band Tower Mounted Amplifier, 800/900 MHz, 12 dB, 2 BTS & 4 ANT ports, AISG with 1 RET connector, with 4.3-10 connectors (1 device with 2 sub-units)
Features and benefits
- Designed to boost UP-Link Coverage and KPIs
- TMA is operating in AISG & CWA mode, Alarm Current consumption CWA mode 190 mA
- 2 input ports and 4 output ports
- 1 device with 2 sub-units
- Single AISG with 1 RET connector
- New 4.3-10 connectors for improved PIM performance and size reduction
Specifications
Product classification
| Product Type | 1-BTS:2-ANT (Diplex) | Tower mounted amplifier |
General specifications
| Color | Gray |
| Modularity | 2-Twin |
| Mounting Pipe Hardware | Band clamps (2) |
| RF Connector Interface | 4.3-10 Female |
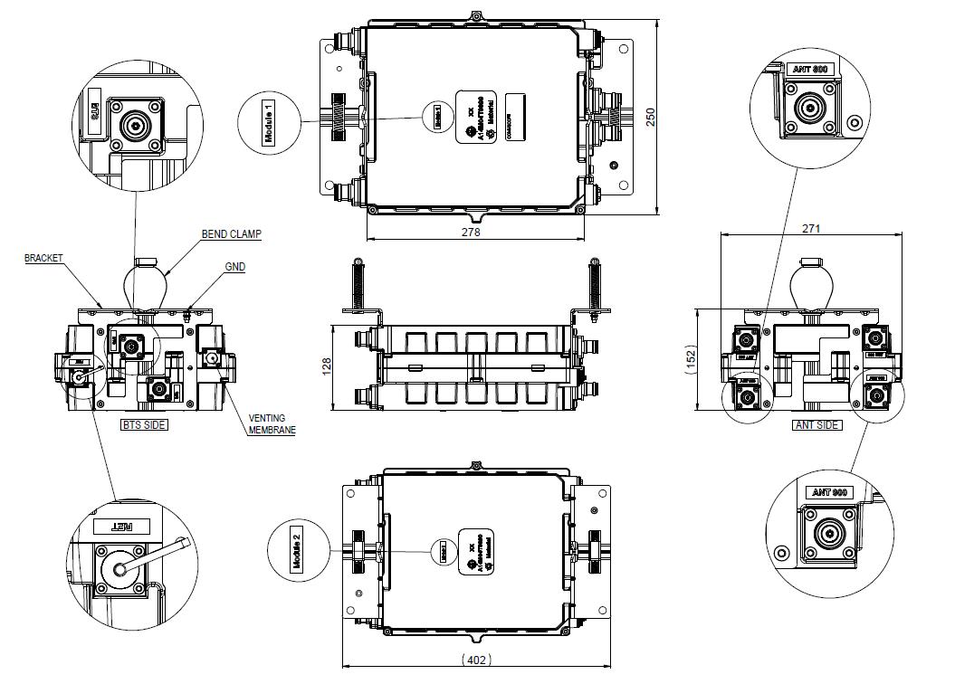
Dimensions
| Height | 250 mm | 9.843 in |
| Width | 278 mm | 10.945 in |
| Depth | 128 mm | 5.039 in |
| Mounting Pipe Diameter Range | 42.6–122 mm |
Outline drawing
| Click on image to enlarge. |
Electrical specifications
| License Band, LNA | CEL 900 | EDD 800 |
Electrical specifications, dc power/alarm
| dc Switching/Redundancy | Yes |
| Lightning Surge Current | 10 kA |
| Lightning Surge Current Waveform | 8/20 waveform |
| Voltage | 7–30 Vdc |
| Alarm Current, CWA Mode | 190 mA ±10 mA |
Electrical specifications, aisg
| AISG Connector | 8-pin DIN Female |
| AISG Connector Standard | IEC 60130-9 |
| Protocol | AISG 2.0 |
| Voltage, AISG Mode | 10–30 Vdc |
Electrical specifications
| Sub-module | 1 | 2 | 1 | 2 |
| Branch | 1 | 2 |
| Port Designation | ANT 800 | ANT 900 |
| License Band | EDD 800, LNA | CEL 900, LNA |
Electrical specifications, rx uplink
| Frequency Range, MHz | 832–862 | 880–915 |
| Bandwidth, MHz | 30.00 | 35.00 |
| Gain, nominal, dB | 12.0 | 12.0 |
| Noise Figure, typical, dB | 1.3 | 1.3 |
| Group Delay Variation, maximum, ns | 165 | 165 |
| Group Delay Variation Bandwidth, MHz | 5.00 | 5.00 |
| Total Group Delay, maximum, ns | 240 | 240 |
| Return Loss, minimum, dB | 16 | 18 |
| Return Loss, typical, dB | 20 | 20 |
| Insertion Loss - Bypass Mode, typical, dB | 2.7 | 2.7 |
Electrical specifications, tx downlink
| Frequency Range, MHz | 791–821 | 925–960 |
| Bandwidth, MHz | 30.00 | 35.00 |
| Insertion Loss, typical, dB | 0.75 | 0.75 |
| Group Delay Variation, maximum, ns | 60 | 65 |
| Group Delay Variation Bandwidth, MHz | 5.00 | 5.00 |
| Total Group Delay, maximum, ns | 110 | 110 |
| Return Loss, minimum, dB | 18 | 18 |
| Return Loss, typical, dB | 20 | 20 |
| Input Power, RMS, maximum, W | 200 | 200 |
| Input Power, PEP, maximum, W | 2,000 | 2,000 |
| 3rd Order PIM, typical, dBc | -156 | -156 |
| 3rd Order PIM Test Method | Two +43 dBm carriers | Two +43 dBm carriers |
Block diagram
| Click on image to enlarge. |
Environmental specifications
| Operating Temperature | -40 °C to +65 °C (-40 °F to +149 °F) |
| Relative Humidity | Up to 100% |
| Corrosion Test Method | IEC 60068-2-11, 30 days |
| Ingress Protection Test Method | IEC 60529:2001, IP67 |
Packaging and weights
| Included | Mounting hardware |
| Volume | 8.9 L |
| Weight, net | 12.2 kg | 26.896 lb |
Regulatory compliance/certifications
| Agency | Classification |
| ISO 9001:2015 | Designed, manufactured and/or distributed under this quality management system |
Product classification
| Product Type | 1-BTS:2-ANT (Diplex) | Tower mounted amplifier |
General specifications
| Color | Gray |
| Modularity | 2-Twin |
| Mounting Pipe Hardware | Band clamps (2) |
| RF Connector Interface | 4.3-10 Female |
Dimensions
| Height | 250 mm | 9.843 in |
| Width | 278 mm | 10.945 in |
| Depth | 128 mm | 5.039 in |
| Mounting Pipe Diameter Range | 42.6–122 mm |
Electrical specifications
| License Band, LNA | CEL 900 | EDD 800 |
Electrical specifications, dc power/alarm
| dc Switching/Redundancy | Yes |
| Lightning Surge Current | 10 kA |
| Lightning Surge Current Waveform | 8/20 waveform |
| Voltage | 7–30 Vdc |
| Alarm Current, CWA Mode | 190 mA ±10 mA |
Electrical specifications, aisg
| AISG Connector | 8-pin DIN Female |
| AISG Connector Standard | IEC 60130-9 |
| Protocol | AISG 2.0 |
| Voltage, AISG Mode | 10–30 Vdc |
Electrical specifications
| Sub-module | 1 | 2 | 1 | 2 |
| Branch | 1 | 2 |
| Port Designation | ANT 800 | ANT 900 |
| License Band | EDD 800, LNA | CEL 900, LNA |
Electrical specifications, rx uplink
| Frequency Range, MHz | 832–862 | 880–915 |
| Bandwidth, MHz | 30.00 | 35.00 |
| Gain, nominal, dB | 12.0 | 12.0 |
| Noise Figure, typical, dB | 1.3 | 1.3 |
| Group Delay Variation, maximum, ns | 165 | 165 |
| Group Delay Variation Bandwidth, MHz | 5.00 | 5.00 |
| Total Group Delay, maximum, ns | 240 | 240 |
| Return Loss, minimum, dB | 16 | 18 |
| Return Loss, typical, dB | 20 | 20 |
| Insertion Loss - Bypass Mode, typical, dB | 2.7 | 2.7 |
Electrical specifications, tx downlink
| Frequency Range, MHz | 791–821 | 925–960 |
| Bandwidth, MHz | 30.00 | 35.00 |
| Insertion Loss, typical, dB | 0.75 | 0.75 |
| Group Delay Variation, maximum, ns | 60 | 65 |
| Group Delay Variation Bandwidth, MHz | 5.00 | 5.00 |
| Total Group Delay, maximum, ns | 110 | 110 |
| Return Loss, minimum, dB | 18 | 18 |
| Return Loss, typical, dB | 20 | 20 |
| Input Power, RMS, maximum, W | 200 | 200 |
| Input Power, PEP, maximum, W | 2,000 | 2,000 |
| 3rd Order PIM, typical, dBc | -156 | -156 |
| 3rd Order PIM Test Method | Two +43 dBm carriers | Two +43 dBm carriers |
Environmental specifications
| Operating Temperature | -40 °C to +65 °C (-40 °F to +149 °F) |
| Relative Humidity | Up to 100% |
| Corrosion Test Method | IEC 60068-2-11, 30 days |
| Ingress Protection Test Method | IEC 60529:2001, IP67 |
Packaging and weights
| Included | Mounting hardware |
| Volume | 8.9 L |
| Weight, net | 12.2 kg | 26.896 lb |
| Click on image to enlarge. |
| Click on image to enlarge. |
Regulatory compliance/certifications
| Agency | Classification |
| ISO 9001:2015 | Designed, manufactured and/or distributed under this quality management system |
Installation & videos
Installation instruction
Filter Products – Designed for PIM Excellence
Filter Products – Designed for PIM Excellence
Documentation & downloads