Warning Icon

For other alternatives, please contact us for more information.

0 Alternative products available

E14R00P06

Tower Mounted Amplifier, Dual 2600 MHz with AISG, with 4.3-10 connectors

Finish making your selections or clear them to view relevant specifications.
Download specifications
Features and benefits
  • Industry leading PIM performance
  • New 4.3-10 connectors for improved PIM performance and size reduction
  • TMA is operating in AISG & CWA mode, Alarm Current consumption CWA mode 190 mA
  • Designed to boost UP-Link Coverage and KPIs
  • RET interface to control antenna RET actuators with AISG standard
  • Single AISG with 1 RET connector
  • Automatic LNA by-pass function
  • Built in lightning protection
  • 1 device with 2 sub-units
  • Connectors “in line”
  • 2 input ports and 2 output ports

Product classification

Product Type 1-BTS:1-ANT (Uniplex) | Tower mounted amplifier

General specifications

Color Gray
Modularity 2-Twin
Mounting Pole | Wall
Mounting Pipe Hardware Band clamps (2)
RF Connector Interface 4.3-10 Female
RF Connector Interface Body Style Long neck

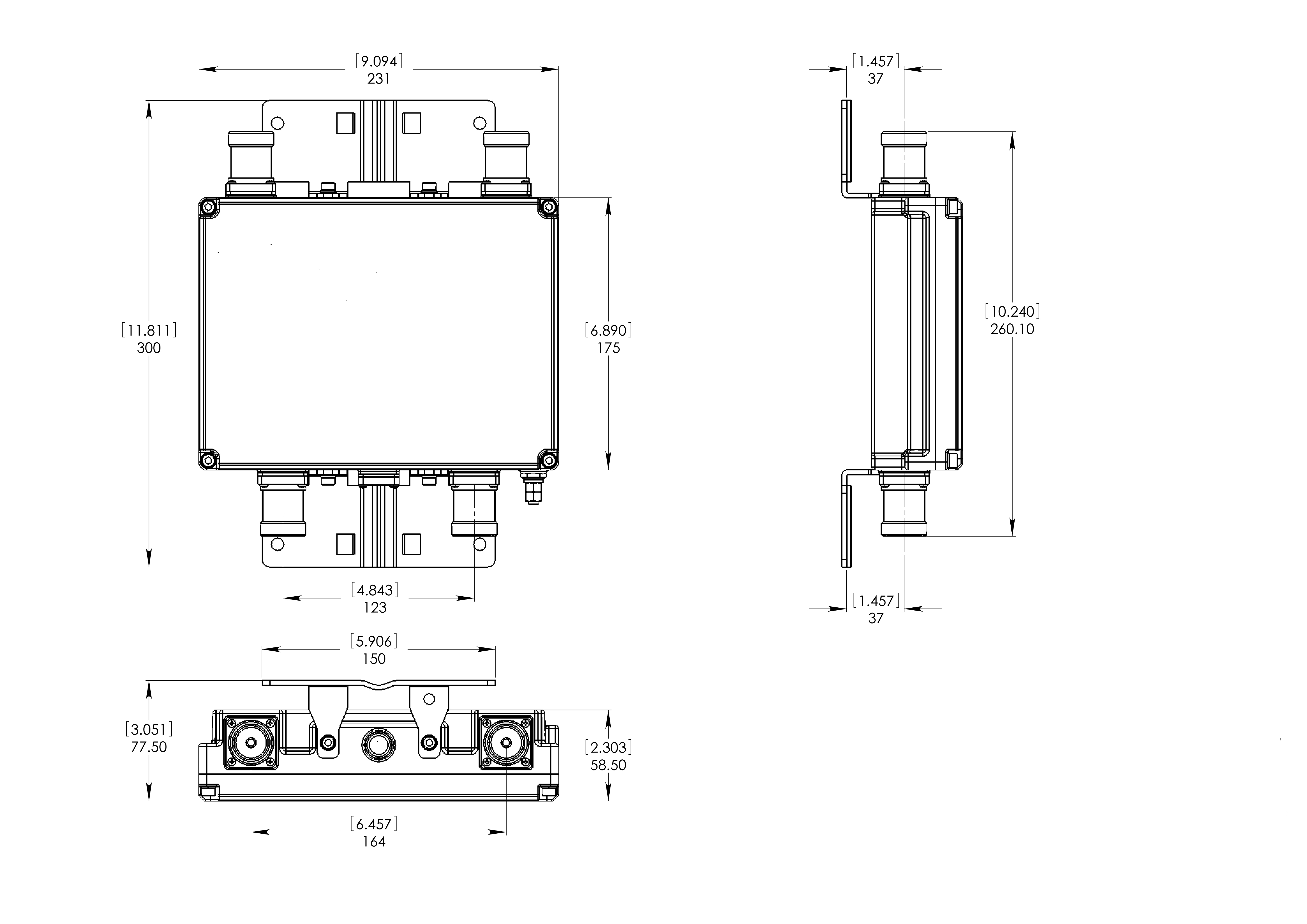
Dimensions

Height 175 mm | 6.89 in
Width 231 mm | 9.094 in
Depth 58.5 mm | 2.303 in
Ground Screw Diameter 8 mm | 0.315 in
Mounting Pipe Diameter Range 40–160 mm

Outline drawing

Click on image to enlarge.

Electrical specifications

License Band, LNA IMT 2600

Electrical specifications, dc power/alarm

dc Switching/Redundancy Yes
Lightning Surge Current 10 kA
Lightning Surge Current Waveform 8/20 waveform
Operating Current at Voltage 100 mA @ 12 V
Operating Current Tolerance ±15 mA
Voltage 7–30 Vdc
Alarm Current, CWA Mode 185 mA ±10 mA

Electrical specifications, aisg

AISG Connector 8-pin DIN Female
AISG Connector Standard IEC 60130-9
Protocol AISG 2.0
Voltage, AISG Mode 10–30 Vdc

Electrical specifications

Sub-module 1 | 2
Branch 1
Port Designation ANT
License Band IMT 2600, LNA

Electrical specifications, rx uplink

Frequency Range, MHz 2500–2570
Bandwidth, MHz 70.00
Gain, nominal, dB 12.0
Gain Tolerance, dB ±1
Noise Figure, maximum, dB 1.6
Noise Figure, typical, dB 1.5
Group Delay Variation, maximum, ns 20
Group Delay Variation Bandwidth, MHz 5.00
Output IP3, minimum, dBm 25
Return Loss, minimum, dB 18
Insertion Loss - Bypass Mode, typical, dB 2.5
Return Loss - Bypass Mode, typical, dB 16
TX Band Rejection, minimum, dB 45

Electrical specifications, tx downlink

Frequency Range, MHz 2620–2690
Bandwidth, MHz 70.00
Insertion Loss, maximum, dB 0.50
Insertion Loss, typical, dB 0.30
Insertion Loss Ripple, maximum, dB 0.10
Group Delay Variation, maximum, ns 10
Group Delay Variation Bandwidth, MHz 5.00
Return Loss, minimum, dB 18
Input Power, RMS, maximum, W 160
Input Power, PEP, maximum, W 2,500
3rd Order PIM, typical, dBc -160
3rd Order PIM Test Method Two +43 dBm carriers

Block diagram

Click on image to enlarge.

Material specifications

Finish Painted

Mechanical specifications

Wind Speed, maximum 198 km/h (123 mph)

Environmental specifications

Operating Temperature -40 °C to +65 °C (-40 °F to +149 °F)
Relative Humidity Up to 100%
Corrosion Test Method IEC 60068-2-11, 30 days
Ingress Protection Test Method IEC 60529:2001, IP67

Packaging and weights

Included Mounting hardware
Volume 2.3 L
Weight, net 4 kg | 8.818 lb

Product classification

Product Type 1-BTS:1-ANT (Uniplex) | Tower mounted amplifier

General specifications

Color Gray
Modularity 2-Twin
Mounting Pole | Wall
Mounting Pipe Hardware Band clamps (2)
RF Connector Interface 4.3-10 Female
RF Connector Interface Body Style Long neck

Dimensions

Height 175 mm | 6.89 in
Width 231 mm | 9.094 in
Depth 58.5 mm | 2.303 in
Ground Screw Diameter 8 mm | 0.315 in
Mounting Pipe Diameter Range 40–160 mm

Electrical specifications

License Band, LNA IMT 2600

Electrical specifications, dc power/alarm

dc Switching/Redundancy Yes
Lightning Surge Current 10 kA
Lightning Surge Current Waveform 8/20 waveform
Operating Current at Voltage 100 mA @ 12 V
Operating Current Tolerance ±15 mA
Voltage 7–30 Vdc
Alarm Current, CWA Mode 185 mA ±10 mA

Electrical specifications, aisg

AISG Connector 8-pin DIN Female
AISG Connector Standard IEC 60130-9
Protocol AISG 2.0
Voltage, AISG Mode 10–30 Vdc

Electrical specifications

Sub-module 1 | 2
Branch 1
Port Designation ANT
License Band IMT 2600, LNA

Electrical specifications, rx uplink

Frequency Range, MHz 2500–2570
Bandwidth, MHz 70.00
Gain, nominal, dB 12.0
Gain Tolerance, dB ±1
Noise Figure, maximum, dB 1.6
Noise Figure, typical, dB 1.5
Group Delay Variation, maximum, ns 20
Group Delay Variation Bandwidth, MHz 5.00
Output IP3, minimum, dBm 25
Return Loss, minimum, dB 18
Insertion Loss - Bypass Mode, typical, dB 2.5
Return Loss - Bypass Mode, typical, dB 16
TX Band Rejection, minimum, dB 45

Electrical specifications, tx downlink

Frequency Range, MHz 2620–2690
Bandwidth, MHz 70.00
Insertion Loss, maximum, dB 0.50
Insertion Loss, typical, dB 0.30
Insertion Loss Ripple, maximum, dB 0.10
Group Delay Variation, maximum, ns 10
Group Delay Variation Bandwidth, MHz 5.00
Return Loss, minimum, dB 18
Input Power, RMS, maximum, W 160
Input Power, PEP, maximum, W 2,500
3rd Order PIM, typical, dBc -160
3rd Order PIM Test Method Two +43 dBm carriers

Material specifications

Finish Painted

Mechanical specifications

Wind Speed, maximum 198 km/h (123 mph)

Environmental specifications

Operating Temperature -40 °C to +65 °C (-40 °F to +149 °F)
Relative Humidity Up to 100%
Corrosion Test Method IEC 60068-2-11, 30 days
Ingress Protection Test Method IEC 60529:2001, IP67

Packaging and weights

Included Mounting hardware
Volume 2.3 L
Weight, net 4 kg | 8.818 lb
Click on image to enlarge.
Click on image to enlarge.
Filter Products – Designed for PIM Excellence
Filter Products – Designed for PIM Excellence

Product specification

Product specification