E14R00P02
Tower Mounted Amplifier, Dual DCS 1800 with AISG 2.0, with 4.3-10 connectors
Features and benefits
- Industry leading PIM performance
- New 4.3-10 connectors for improved PIM performance and size reduction
- TMA is operating in AISG & CWA mode, Alarm Current consumption CWA mode 190 mA
- Designed to boost UP-Link Coverage and KPIs
- RET interface to control antenna RET actuators with AISG standard
- Single AISG with 1 RET connector
- Automatic LNA by-pass function
- Built in lightning protection
- 1 device with 2 sub-units
- Connectors “in line”
- 2 input ports and 2 output ports
Specifications
Product classification
| Product Type | 1-BTS:1-ANT (Uniplex) | Tower mounted amplifier |
General specifications
| Color | Gray |
| Modularity | 2-Twin |
| Mounting | Pole | Wall |
| Mounting Pipe Hardware | Band clamps (2) |
| RF Connector Interface | 4.3-10 Female |
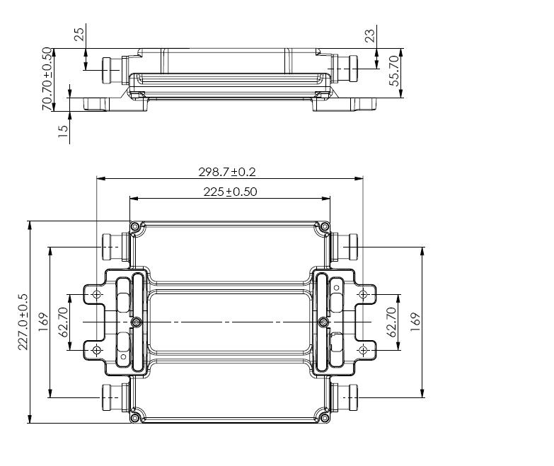
Dimensions
| Height | 225 mm | 8.858 in |
| Width | 227 mm | 8.937 in |
| Depth | 56 mm | 2.205 in |
| Ground Screw Diameter | 8 mm | 0.315 in |
| Mounting Pipe Diameter Range | 40–160 mm |
Outline drawing
| Click on image to enlarge. |
Electrical specifications
| License Band, LNA | DCS 1800 |
| Voltage | 9 Vdc |
Electrical specifications, dc power/alarm
| dc Switching/Redundancy | Yes |
| Lightning Surge Current | 10 kA |
| Lightning Surge Current Waveform | 8/20 waveform |
| Operating Current at Voltage | 110 mA @ 12 V |
| Operating Current Tolerance | ±20 mA |
| Voltage | 7–30 Vdc |
| Voltage, CWA Mode | 10–18 Vdc |
| Alarm Current, CWA Mode | 195 mA ±15 mA |
Electrical specifications, aisg
| AISG Connector | 8-pin DIN Female |
| AISG Connector Standard | IEC 60130-9 |
| Protocol | AISG 2.0 |
| Voltage, AISG Mode | 10–30 Vdc |
Electrical specifications
| Sub-module | 1 | 2 |
| Branch | 1 |
| Port Designation | ANT |
| License Band | DCS 1800, LNA |
Electrical specifications, rx uplink
| Frequency Range, MHz | 1710–1785 |
| Bandwidth, MHz | 75.00 |
| Gain, nominal, dB | 12.0 |
| Gain Tolerance, dB | ±1 |
| Noise Figure, maximum, dB | 1.8 |
| Noise Figure, typical, dB | 1.4 |
| Group Delay Variation, maximum, ns | 50 |
| Group Delay Variation Bandwidth, MHz | 5.00 |
| Total Group Delay, maximum, ns | 150 |
| Return Loss, minimum, dB | 18 |
| Insertion Loss - Bypass Mode, typical, dB | 3.0 |
| Return Loss - Bypass Mode, typical, dB | 14 |
| TX Band Rejection, minimum, dB | 75 |
Electrical specifications, tx downlink
| Frequency Range, MHz | 1805–1880 |
| Bandwidth, MHz | 75.00 |
| Insertion Loss, maximum, dB | 0.70 |
| Insertion Loss, typical, dB | 0.40 |
| Insertion Loss Ripple, maximum, dB | 0.50 |
| Group Delay Variation, maximum, ns | 13 |
| Group Delay Variation Bandwidth, MHz | 5.00 |
| Total Group Delay, maximum, ns | 45 |
| Return Loss, minimum, dB | 18 |
| RX Band Rejection, minimum, dB | 45 |
| Input Power, RMS, maximum, W | 200 |
| Input Power, PEP, maximum, W | 5,000 |
| 3rd Order PIM, typical, dBc | -163 |
| 3rd Order PIM Test Method | Two +43 dBm carriers |
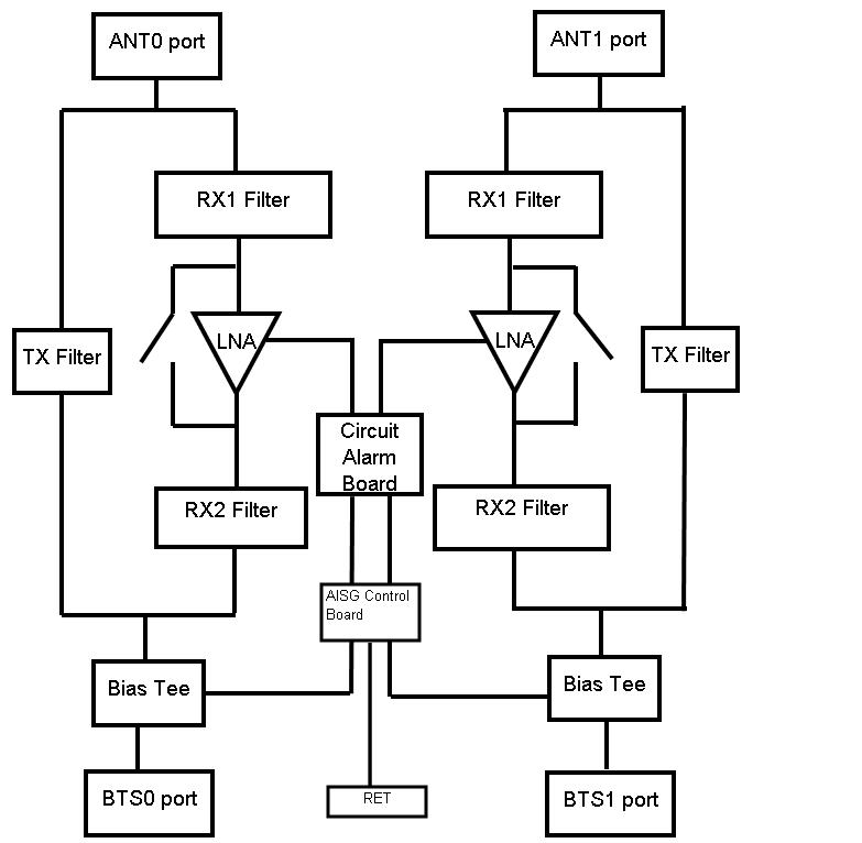
Block diagram
| Click on image to enlarge. |
Material specifications
| Finish | Painted |
Environmental specifications
| Operating Temperature | -40 °C to +65 °C (-40 °F to +149 °F) |
| Relative Humidity | Up to 100% |
| Corrosion Test Method | IEC 60068-2-11, 30 days |
| Ingress Protection Test Method | IEC 60529:2001, IP67 |
Packaging and weights
| Included | Mounting hardware |
| Volume | 2.8 L |
| Weight, net | 4.5 kg | 9.921 lb |
Regulatory compliance/certifications
| Agency | Classification |
| ISO 9001:2015 | Designed, manufactured and/or distributed under this quality management system |
Product classification
| Product Type | 1-BTS:1-ANT (Uniplex) | Tower mounted amplifier |
General specifications
| Color | Gray |
| Modularity | 2-Twin |
| Mounting | Pole | Wall |
| Mounting Pipe Hardware | Band clamps (2) |
| RF Connector Interface | 4.3-10 Female |
Dimensions
| Height | 225 mm | 8.858 in |
| Width | 227 mm | 8.937 in |
| Depth | 56 mm | 2.205 in |
| Ground Screw Diameter | 8 mm | 0.315 in |
| Mounting Pipe Diameter Range | 40–160 mm |
Electrical specifications
| License Band, LNA | DCS 1800 |
| Voltage | 9 Vdc |
Electrical specifications, dc power/alarm
| dc Switching/Redundancy | Yes |
| Lightning Surge Current | 10 kA |
| Lightning Surge Current Waveform | 8/20 waveform |
| Operating Current at Voltage | 110 mA @ 12 V |
| Operating Current Tolerance | ±20 mA |
| Voltage | 7–30 Vdc |
| Voltage, CWA Mode | 10–18 Vdc |
| Alarm Current, CWA Mode | 195 mA ±15 mA |
Electrical specifications, aisg
| AISG Connector | 8-pin DIN Female |
| AISG Connector Standard | IEC 60130-9 |
| Protocol | AISG 2.0 |
| Voltage, AISG Mode | 10–30 Vdc |
Electrical specifications
| Sub-module | 1 | 2 |
| Branch | 1 |
| Port Designation | ANT |
| License Band | DCS 1800, LNA |
Electrical specifications, rx uplink
| Frequency Range, MHz | 1710–1785 |
| Bandwidth, MHz | 75.00 |
| Gain, nominal, dB | 12.0 |
| Gain Tolerance, dB | ±1 |
| Noise Figure, maximum, dB | 1.8 |
| Noise Figure, typical, dB | 1.4 |
| Group Delay Variation, maximum, ns | 50 |
| Group Delay Variation Bandwidth, MHz | 5.00 |
| Total Group Delay, maximum, ns | 150 |
| Return Loss, minimum, dB | 18 |
| Insertion Loss - Bypass Mode, typical, dB | 3.0 |
| Return Loss - Bypass Mode, typical, dB | 14 |
| TX Band Rejection, minimum, dB | 75 |
Electrical specifications, tx downlink
| Frequency Range, MHz | 1805–1880 |
| Bandwidth, MHz | 75.00 |
| Insertion Loss, maximum, dB | 0.70 |
| Insertion Loss, typical, dB | 0.40 |
| Insertion Loss Ripple, maximum, dB | 0.50 |
| Group Delay Variation, maximum, ns | 13 |
| Group Delay Variation Bandwidth, MHz | 5.00 |
| Total Group Delay, maximum, ns | 45 |
| Return Loss, minimum, dB | 18 |
| RX Band Rejection, minimum, dB | 45 |
| Input Power, RMS, maximum, W | 200 |
| Input Power, PEP, maximum, W | 5,000 |
| 3rd Order PIM, typical, dBc | -163 |
| 3rd Order PIM Test Method | Two +43 dBm carriers |
Material specifications
| Finish | Painted |
Environmental specifications
| Operating Temperature | -40 °C to +65 °C (-40 °F to +149 °F) |
| Relative Humidity | Up to 100% |
| Corrosion Test Method | IEC 60068-2-11, 30 days |
| Ingress Protection Test Method | IEC 60529:2001, IP67 |
Packaging and weights
| Included | Mounting hardware |
| Volume | 2.8 L |
| Weight, net | 4.5 kg | 9.921 lb |
| Click on image to enlarge. |
| Click on image to enlarge. |
Regulatory compliance/certifications
| Agency | Classification |
| ISO 9001:2015 | Designed, manufactured and/or distributed under this quality management system |
Installation & videos
Installation instruction
Filter Products – Designed for PIM Excellence
Filter Products – Designed for PIM Excellence
Documentation & downloads