E14F55P16
Ultra Compact Twin Diplexer 1710-2180/2500-2690 MHz, 4.3-10 connectors
Features and benefits
- Ideal for small cell applications
- Compact form factor with reduced size and weight
- Suitable for space limited applications like Metro Cell, Lamp Pole, Concealment Solution and Macro Site
- Industry leading PIM performance
- New 4.3-10 connectors for improved PIM performance and size reduction
- Designed for network modernization application, introduction of LTE 4x4 MIMO
- Also available in a quad configuration to support 4 x 4 requirements
- Twin configuration
Specifications
Product classification
| Product Type | Diplexer |
General specifications
| Product Family | CBC1726 |
| Color | Gray |
| Common Port Label | Common |
| Modularity | 2-Twin |
| RF Connector Interface | 4.3-10 Female |
| RF Connector Interface Body Style | Long neck |
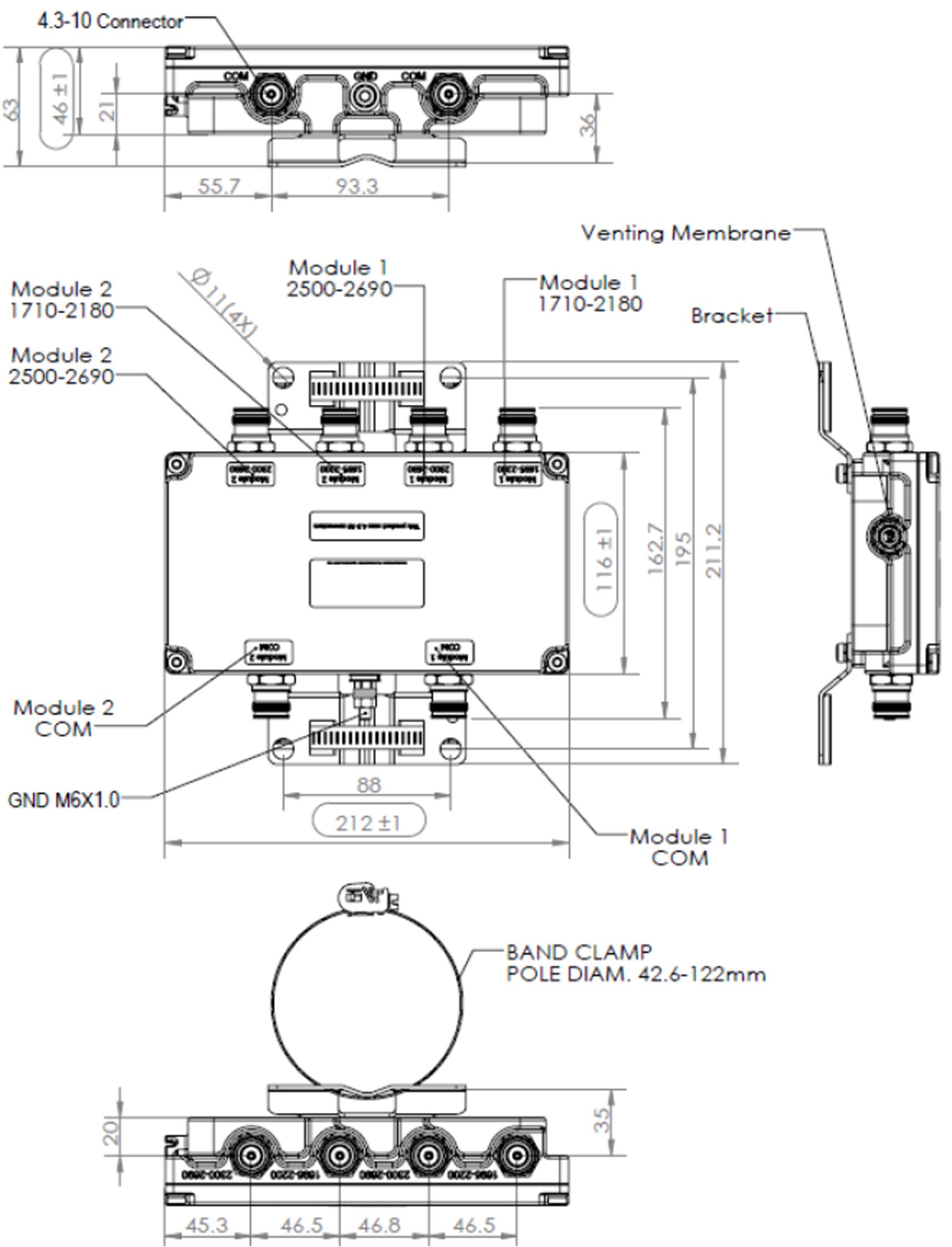
Dimensions
| Height | 212 mm | 8.346 in |
| Width | 116 mm | 4.567 in |
| Depth | 46 mm | 1.811 in |
Outline drawing
| Click on image to enlarge. |
Electrical specifications
| Impedance | 50 ohm |
| License Band, Band Pass | AWS 1700 | DCS 1800 | IMT 2100 | IMT 2600 | PCS 1900 | TDD 2300 | TDD 2600 | WCS 2300 |
Electrical specifications, dc power/alarm
| dc/AISG Pass-through Method | No dc/AISG pass-through |
| dc/AISG Pass-through, combiner | dc/AISG blocking on all ports |
| dc/AISG Pass-through, demultiplexer | dc/AISG blocking on all ports |
| Lightning Surge Current | 5 kA |
| Lightning Surge Current Waveform | 8/20 waveform |
Electrical specifications
| Sub-module | 1 | 2 | 1 | 2 |
| Branch | 1 | 2 |
| Port Designation | Port 1710-2180 | Port 2500-2690 |
| License Band | AWS 1700, Band Pass DCS 1800, Band Pass IMT 2100, Band Pass PCS 1900, Band Pass | IMT 2600, Band Pass TDD 2600, Band Pass |
Electrical specifications, band pass
| Frequency Range, MHz | 1710–2180 | 2500–2690 |
| Insertion Loss, typical, dB | 0.10 | 0.12 |
| Total Group Delay, maximum, ns | 12 | 12 |
| Return Loss, typical, dB | 23 | 23 |
| Isolation, typical, dB | 51 | 53 |
| Input Power, RMS, maximum, W | 250 | 250 |
| Input Power, PEP, maximum, W | 1,500 | 1,500 |
| 3rd Order PIM, typical, dBc | -161 | -161 |
| 3rd Order PIM Test Method | 2 x 20 W CW tones | 2 x 20 W CW tones |
Block diagram
| Click on image to enlarge. |
Material specifications
| Finish | Painted |
Environmental specifications
| Operating Temperature | -40 °C to +65 °C (-40 °F to +149 °F) |
| Relative Humidity | Up to 100% |
| Corrosion Test Method | IEC 60068-2-11, 30 days |
| Ingress Protection Test Method | IEC 60529:2001, IP67 |
Packaging and weights
| Mounting Hardware Weight | 0.2 kg | 0.441 lb |
| Weight, without mounting hardware | 1.9 kg | 4.189 lb |
Product classification
| Product Type | Diplexer |
General specifications
| Product Family | CBC1726 |
| Color | Gray |
| Common Port Label | Common |
| Modularity | 2-Twin |
| RF Connector Interface | 4.3-10 Female |
| RF Connector Interface Body Style | Long neck |
Dimensions
| Height | 212 mm | 8.346 in |
| Width | 116 mm | 4.567 in |
| Depth | 46 mm | 1.811 in |
Electrical specifications
| Impedance | 50 ohm |
| License Band, Band Pass | AWS 1700 | DCS 1800 | IMT 2100 | IMT 2600 | PCS 1900 | TDD 2300 | TDD 2600 | WCS 2300 |
Electrical specifications, dc power/alarm
| dc/AISG Pass-through Method | No dc/AISG pass-through |
| dc/AISG Pass-through, combiner | dc/AISG blocking on all ports |
| dc/AISG Pass-through, demultiplexer | dc/AISG blocking on all ports |
| Lightning Surge Current | 5 kA |
| Lightning Surge Current Waveform | 8/20 waveform |
Electrical specifications
| Sub-module | 1 | 2 | 1 | 2 |
| Branch | 1 | 2 |
| Port Designation | Port 1710-2180 | Port 2500-2690 |
| License Band | AWS 1700, Band Pass; DCS 1800, Band Pass; IMT 2100, Band Pass; PCS 1900, Band Pass | IMT 2600, Band Pass; TDD 2600, Band Pass |
Electrical specifications, band pass
| Frequency Range, MHz | 1710–2180 | 2500–2690 |
| Insertion Loss, typical, dB | 0.10 | 0.12 |
| Total Group Delay, maximum, ns | 12 | 12 |
| Return Loss, typical, dB | 23 | 23 |
| Isolation, typical, dB | 51 | 53 |
| Input Power, RMS, maximum, W | 250 | 250 |
| Input Power, PEP, maximum, W | 1,500 | 1,500 |
| 3rd Order PIM, typical, dBc | -161 | -161 |
| 3rd Order PIM Test Method | 2 x 20 W CW tones | 2 x 20 W CW tones |
Material specifications
| Finish | Painted |
Environmental specifications
| Operating Temperature | -40 °C to +65 °C (-40 °F to +149 °F) |
| Relative Humidity | Up to 100% |
| Corrosion Test Method | IEC 60068-2-11, 30 days |
| Ingress Protection Test Method | IEC 60529:2001, IP67 |
Packaging and weights
| Mounting Hardware Weight | 0.2 kg | 0.441 lb |
| Weight, without mounting hardware | 1.9 kg | 4.189 lb |
| Click on image to enlarge. |
| Click on image to enlarge. |
Installation & videos
Installation instruction
Filter Products – Designed for PIM Excellence
Filter Products – Designed for PIM Excellence
Documentation & downloads