Warning Icon

For other alternatives, please contact us for more information.

0 Alternative products available

E14F06P54

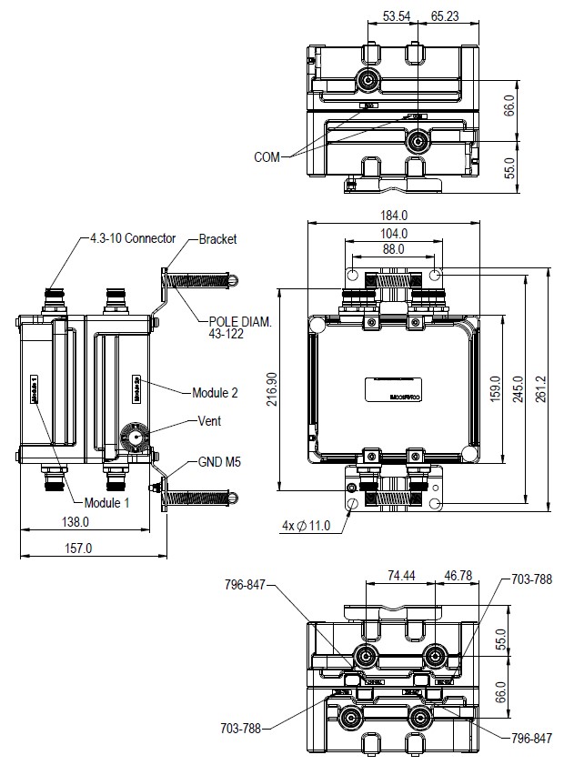
Twin Diplexer, 703-788 MHz/796-847 MHz, DC SMART bypass, with 4.3-10 connectors

Finish making your selections or clear them to view relevant specifications.
Download specifications
Features and benefits
  • New 4.3-10 connectors for improved PIM performance and size reduction
  • Minimal Insertion Loss
  • DC/AISG SMART bypass functionality

Product classification

Product Type Diplexer

General specifications

Color Gray
Modularity 2-Twin
Mounting Pole | Wall
Mounting Pipe Hardware Band clamps (2)
RF Connector Interface 4.3-10 Female
RF Connector Interface Body Style Long neck

Dimensions

Height 138 mm | 5.433 in
Width 184 mm | 7.244 in
Depth 159 mm | 6.260 in
Mounting Pipe Diameter Range 43–122 mm

Outline drawing

Click on image to enlarge.

Electrical specifications

Impedance 50 ohm

Electrical specifications, dc power/alarm

dc/AISG Pass-through Method Auto sensing
dc/AISG Pass-through, combiner dc Smart Bypass
dc/AISG Pass-through, demultiplexer dc Smart Bypass
Lightning Surge Current 10 kA
Lightning Surge Current Waveform 8/20 waveform

Electrical specifications, aisg

AISG Carrier 2176 KHz ± 100 ppm

Electrical specifications

Sub-module 1 | 2 1 | 2
Branch 1 2
Port Designation PORT 1 703-788 PORT 2 796-847

Electrical specifications, band pass

Frequency Range, MHz 703–788 796–847
Insertion Loss, typical, dB 0.20 0.30
Return Loss, typical, dB 20 20
Isolation, typical, dB 38 38
Input Power, RMS, maximum, W 200 200
Input Power, PEP, maximum, W 1,000 1,000
3rd Order PIM, typical, dBc -162 -162
3rd Order PIM Test Method 2 x 20 W CW tones 2 x 20 W CW tones

Block diagram

Click on image to enlarge.

Environmental specifications

Operating Temperature -40 °C to +65 °C (-40 °F to +149 °F)
Relative Humidity 5%–100%
Corrosion Test Method IEC 60068-2-11, 30 days
Environmental Test Method ETSI EN 300 019-1-4
Ingress Protection Test Method IEC 60529:2001, IP67

Packaging and weights

Included Mounting hardware
Volume 4 L
Weight, with mounting hardware 4.3 kg | 9.480 lb
Weight, without mounting hardware 4.1 kg | 9.039 lb

Regulatory compliance/certifications

Agency Classification
ISO 9001:2015 Designed, manufactured and/or distributed under this quality management system

Product classification

Product Type Diplexer

General specifications

Color Gray
Modularity 2-Twin
Mounting Pole | Wall
Mounting Pipe Hardware Band clamps (2)
RF Connector Interface 4.3-10 Female
RF Connector Interface Body Style Long neck

Dimensions

Height 138 mm | 5.433 in
Width 184 mm | 7.244 in
Depth 159 mm | 6.260 in
Mounting Pipe Diameter Range 43–122 mm

Electrical specifications

Impedance 50 ohm

Electrical specifications, dc power/alarm

dc/AISG Pass-through Method Auto sensing
dc/AISG Pass-through, combiner dc Smart Bypass
dc/AISG Pass-through, demultiplexer dc Smart Bypass
Lightning Surge Current 10 kA
Lightning Surge Current Waveform 8/20 waveform

Electrical specifications, aisg

AISG Carrier 2176 KHz ± 100 ppm

Electrical specifications

Sub-module 1 | 2 1 | 2
Branch 1 2
Port Designation PORT 1 703-788 PORT 2 796-847

Electrical specifications, band pass

Frequency Range, MHz 703–788 796–847
Insertion Loss, typical, dB 0.20 0.30
Return Loss, typical, dB 20 20
Isolation, typical, dB 38 38
Input Power, RMS, maximum, W 200 200
Input Power, PEP, maximum, W 1,000 1,000
3rd Order PIM, typical, dBc -162 -162
3rd Order PIM Test Method 2 x 20 W CW tones 2 x 20 W CW tones

Environmental specifications

Operating Temperature -40 °C to +65 °C (-40 °F to +149 °F)
Relative Humidity 5%–100%
Corrosion Test Method IEC 60068-2-11, 30 days
Environmental Test Method ETSI EN 300 019-1-4
Ingress Protection Test Method IEC 60529:2001, IP67

Packaging and weights

Included Mounting hardware
Volume 4 L
Weight, with mounting hardware 4.3 kg | 9.480 lb
Weight, without mounting hardware 4.1 kg | 9.039 lb
Click on image to enlarge.
Click on image to enlarge.

Regulatory compliance/certifications

Agency Classification
ISO 9001:2015 Designed, manufactured and/or distributed under this quality management system
Filter Products – Designed for PIM Excellence
Filter Products – Designed for PIM Excellence

Product specification

Product specification