Warning Icon

For other alternatives, please contact us for more information.

0 Alternative products available

E14F05P57

Diplexer, 380–960 MHz/1425–2690 MHz, dc pass all, with 4.3-10 connectors

Finish making your selections or clear them to view relevant specifications.
Download specifications
Features and benefits
  • Industry leading PIM performance
  • New 4.3-10 connectors for improved PIM performance and size reduction
  • Minimal Insertion Loss
  • dc/AISG pass-through on all frequency ports
  • Ultra-wideband low-band combiner
  • Ultra-wideband high-band combiner
  • BTS-to-feeder and feeder-to-antenna application
  • Single configuration

Product classification

Product Type Diplexer

General specifications

Product Family CBC426
Color Gray
Common Port Label ANT
Modularity 1-Single
Mounting Pole | Wall
Mounting Pipe Hardware Band clamps (2)
RF Connector Interface 4.3-10 Female
RF Connector Interface Body Style Medium neck

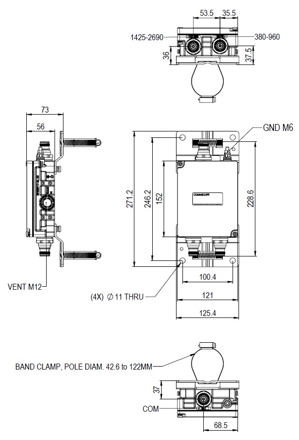
Dimensions

Height 200 mm | 7.874 in
Width 111 mm | 4.37 in
Depth 44 mm | 1.732 in
Ground Screw Diameter 5 mm | 0.197 in
Mounting Pipe Diameter Range 40–160 mm

Outline drawing

Click on image to enlarge.

Electrical specifications

Impedance 50 ohm
License Band, Band Pass APT 700 | AWS 1700 | CEL 850 | CEL 900 | DCS 1800 | EDD 800 | IMT 2100 | IMT 2600 | LMR 750 | LMR 800 | LMR 900 | PCS 1900 | TDD 2300 | TDD 2600 | USA 700 | USA 750 | WCS 2300

Electrical specifications, dc power/alarm

dc/AISG Pass-through Method Factory set
dc/AISG Pass-through Path Branch 1 | Branch 2
dc/AISG Pass-through, combiner Branch 1 | Branch 2
dc/AISG Pass-through, demultiplexer Branch 1 | Branch 2
Lightning Surge Current 10 kA
Lightning Surge Current Waveform 8/20 waveform

Electrical specifications, aisg

AISG Carrier 2176 KHz ± 100 ppm
Insertion Loss, maximum 0.5 dB
Return Loss, minimum 15 dB

Electrical specifications

Sub-module 1 1
Branch 1 2
Port Designation PORT 1 380-960 PORT 2 1425-2690
License Band APT 700, Band Pass
CEL 850, Band Pass
CEL 900, Band Pass
EDD 800, Band Pass
LMR 750, Band Pass
LMR 800, Band Pass
LMR 900, Band Pass
USA 700, Band Pass
USA 750, Band Pass
AWS 1700, Band Pass
DCS 1800, Band Pass
IMT 2100, Band Pass
IMT 2600, Band Pass
PCS 1900, Band Pass
TDD 2300, Band Pass
TDD 2600, Band Pass
WCS 2300, Band Pass

Electrical specifications, band pass

Frequency Range, MHz 380–960 1425–2690
Insertion Loss, typical, dB 0.10 0.10
Total Group Delay, maximum, ns 10 10
Return Loss, minimum, dB 20 20
Return Loss, typical, dB 23 23
Isolation, minimum, dB 50 50
Input Power, PEP, maximum, W 5,000 5,000
3rd Order PIM, typical, dBc -163 -163
3rd Order PIM Test Method 2 x 20 W CW tones 2 x 20 W CW tones

Block diagram

Click on image to enlarge.

Environmental specifications

Operating Temperature -40 °C to +65 °C (-40 °F to +149 °F)
Relative Humidity 5%–100%
Corrosion Test Method IEC 60068-2-11, 30 days
Ingress Protection Test Method IEC 60529:2001, IP67

Packaging and weights

Included Mounting hardware
Volume 1 L
Weight, net 1.9 kg | 4.189 lb

Regulatory compliance/certifications

Agency Classification
ISO 9001:2015 Designed, manufactured and/or distributed under this quality management system

Product classification

Product Type Diplexer

General specifications

Product Family CBC426
Color Gray
Common Port Label ANT
Modularity 1-Single
Mounting Pole | Wall
Mounting Pipe Hardware Band clamps (2)
RF Connector Interface 4.3-10 Female
RF Connector Interface Body Style Medium neck

Dimensions

Height 200 mm | 7.874 in
Width 111 mm | 4.37 in
Depth 44 mm | 1.732 in
Ground Screw Diameter 5 mm | 0.197 in
Mounting Pipe Diameter Range 40–160 mm

Electrical specifications

Impedance 50 ohm
License Band, Band Pass APT 700 | AWS 1700 | CEL 850 | CEL 900 | DCS 1800 | EDD 800 | IMT 2100 | IMT 2600 | LMR 750 | LMR 800 | LMR 900 | PCS 1900 | TDD 2300 | TDD 2600 | USA 700 | USA 750 | WCS 2300

Electrical specifications, dc power/alarm

dc/AISG Pass-through Method Factory set
dc/AISG Pass-through Path Branch 1 | Branch 2
dc/AISG Pass-through, combiner Branch 1 | Branch 2
dc/AISG Pass-through, demultiplexer Branch 1 | Branch 2
Lightning Surge Current 10 kA
Lightning Surge Current Waveform 8/20 waveform

Electrical specifications, aisg

AISG Carrier 2176 KHz ± 100 ppm
Insertion Loss, maximum 0.5 dB
Return Loss, minimum 15 dB

Electrical specifications

Sub-module 1 1
Branch 1 2
Port Designation PORT 1 380-960 PORT 2 1425-2690
License Band APT 700, Band Pass; CEL 850, Band Pass; CEL 900, Band Pass; EDD 800, Band Pass; LMR 750, Band Pass; LMR 800, Band Pass; LMR 900, Band Pass; USA 700, Band Pass; USA 750, Band Pass AWS 1700, Band Pass; DCS 1800, Band Pass; IMT 2100, Band Pass; IMT 2600, Band Pass; PCS 1900, Band Pass; TDD 2300, Band Pass; TDD 2600, Band Pass; WCS 2300, Band Pass

Electrical specifications, band pass

Frequency Range, MHz 380–960 1425–2690
Insertion Loss, typical, dB 0.10 0.10
Total Group Delay, maximum, ns 10 10
Return Loss, minimum, dB 20 20
Return Loss, typical, dB 23 23
Isolation, minimum, dB 50 50
Input Power, PEP, maximum, W 5,000 5,000
3rd Order PIM, typical, dBc -163 -163
3rd Order PIM Test Method 2 x 20 W CW tones 2 x 20 W CW tones

Environmental specifications

Operating Temperature -40 °C to +65 °C (-40 °F to +149 °F)
Relative Humidity 5%–100%
Corrosion Test Method IEC 60068-2-11, 30 days
Ingress Protection Test Method IEC 60529:2001, IP67

Packaging and weights

Included Mounting hardware
Volume 1 L
Weight, net 1.9 kg | 4.189 lb
Click on image to enlarge.
Click on image to enlarge.

Regulatory compliance/certifications

Agency Classification
ISO 9001:2015 Designed, manufactured and/or distributed under this quality management system
Filter Products – Designed for PIM Excellence
Filter Products – Designed for PIM Excellence

Product specification

Product specification