E12F05P96
Diplexer, DCS 1800/UMTS 2100, AISG compatible, dc pass on all ports with 4.3-10 connectors
Features and benefits
- Industry leading PIM performance
- Designed for network Modernization, introduction of LTE1800 on existing site
- Designed for network Modernization, introduction of UMTS2100 on existing site
- New 4.3-10 connectors for improved PIM performance and size reduction
- dc/AISG pass-through on all frequency ports
Specifications
Product classification
| Product Type | Diplexer |
General specifications
| Product Family | CBC1821 |
| Color | Gray |
| Common Port Label | PORT 3 COMMON |
| Modularity | 1-Single |
| Mounting | Pole | Wall |
| Mounting Pipe Hardware | Band clamps (2) |
| RF Connector Interface | 4.3-10 Female |
| RF Connector Interface Body Style | Long neck |
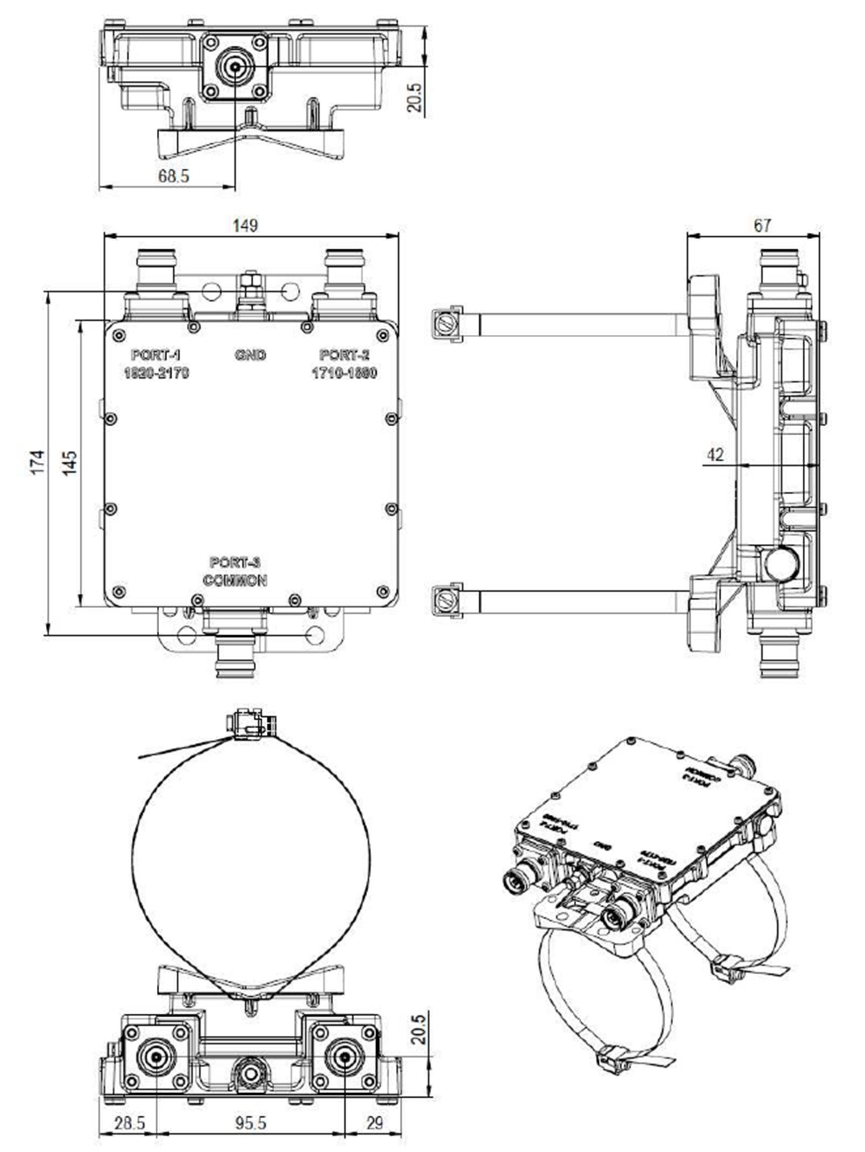
Dimensions
| Height | 149 mm | 5.866 in |
| Width | 145 mm | 5.709 in |
| Depth | 42 mm | 1.654 in |
| Mounting Pipe Diameter Range | 40–160 mm |
Outline drawing
| Click on image to enlarge. |
Electrical specifications
| Impedance | 50 ohm |
| License Band, Band Pass | DCS 1800 | IMT 2100 |
Electrical specifications, dc power/alarm
| dc/AISG Pass-through, combiner | Branch 1 | Branch 2 |
| dc/AISG Pass-through, demultiplexer | Branch 1 | Branch 2 |
| Lightning Surge Current | 10 kA |
| Lightning Surge Current Waveform | 8/20 waveform |
Electrical specifications, aisg
| AISG Pass-through Current, maximum | 2 A |
Electrical specifications
| Sub-module | 1 | 1 |
| Branch | 1 | 2 |
| Port Designation | PORT 1 1710-1880 | PORT 2 1920-2170 |
| License Band | DCS 1800, Band Pass | IMT 2100, Band Pass |
Electrical specifications, band pass
| Frequency Range, MHz | 1710–1880 | 1920–2170 |
| Insertion Loss, typical, dB | 0.15 | 0.25 |
| Return Loss, typical, dB | 20 | 20 |
| Isolation, minimum, dB | 50 | 50 |
| Input Power, PEP, maximum, W | 2,500 | 2,500 |
| 3rd Order PIM, typical, dBc | -161 | |
| 3rd Order PIM Test Method | Two +43 dBm carriers | |
| 7th Order PIM, typical, dBc | -168 | |
| 7th Order PIM Test Method | Two +43 dBm carriers |
Block diagram
| Click on image to enlarge. |
Environmental specifications
| Operating Temperature | -40 °C to +60 °C (-40 °F to +140 °F) |
| Corrosion Test Method | IEC 60068-2-11, 30 days |
| Ingress Protection Test Method | IEC 60529:2001, IP67 |
Packaging and weights
| Included | Mounting hardware |
| Volume | 0.9 L |
| Weight, net | 2 kg | 4.409 lb |
Regulatory compliance/certifications
| Agency | Classification |
| ISO 9001:2015 | Designed, manufactured and/or distributed under this quality management system |
Product classification
| Product Type | Diplexer |
General specifications
| Product Family | CBC1821 |
| Color | Gray |
| Common Port Label | PORT 3 COMMON |
| Modularity | 1-Single |
| Mounting | Pole | Wall |
| Mounting Pipe Hardware | Band clamps (2) |
| RF Connector Interface | 4.3-10 Female |
| RF Connector Interface Body Style | Long neck |
Dimensions
| Height | 149 mm | 5.866 in |
| Width | 145 mm | 5.709 in |
| Depth | 42 mm | 1.654 in |
| Mounting Pipe Diameter Range | 40–160 mm |
Electrical specifications
| Impedance | 50 ohm |
| License Band, Band Pass | DCS 1800 | IMT 2100 |
Electrical specifications, dc power/alarm
| dc/AISG Pass-through, combiner | Branch 1 | Branch 2 |
| dc/AISG Pass-through, demultiplexer | Branch 1 | Branch 2 |
| Lightning Surge Current | 10 kA |
| Lightning Surge Current Waveform | 8/20 waveform |
Electrical specifications, aisg
| AISG Pass-through Current, maximum | 2 A |
Electrical specifications
| Sub-module | 1 | 1 |
| Branch | 1 | 2 |
| Port Designation | PORT 1 1710-1880 | PORT 2 1920-2170 |
| License Band | DCS 1800, Band Pass | IMT 2100, Band Pass |
Electrical specifications, band pass
| Frequency Range, MHz | 1710–1880 | 1920–2170 |
| Insertion Loss, typical, dB | 0.15 | 0.25 |
| Return Loss, typical, dB | 20 | 20 |
| Isolation, minimum, dB | 50 | 50 |
| Input Power, PEP, maximum, W | 2,500 | 2,500 |
| 3rd Order PIM, typical, dBc | -161 | |
| 3rd Order PIM Test Method | Two +43 dBm carriers | |
| 7th Order PIM, typical, dBc | -168 | |
| 7th Order PIM Test Method | Two +43 dBm carriers |
Environmental specifications
| Operating Temperature | -40 °C to +60 °C (-40 °F to +140 °F) |
| Corrosion Test Method | IEC 60068-2-11, 30 days |
| Ingress Protection Test Method | IEC 60529:2001, IP67 |
Packaging and weights
| Included | Mounting hardware |
| Volume | 0.9 L |
| Weight, net | 2 kg | 4.409 lb |
| Click on image to enlarge. |
| Click on image to enlarge. |
Regulatory compliance/certifications
| Agency | Classification |
| ISO 9001:2015 | Designed, manufactured and/or distributed under this quality management system |
Installation & videos
Installation instruction
Filter Products – Designed for PIM Excellence
Filter Products – Designed for PIM Excellence
Documentation & downloads