CDX7FNQ-DL-43 | E14F06P28
Quad Diplexer B12-B5/B14, DC on B12-B5, 4.3-10 connectors
Features and benefits
- Combines FirstNet public safety bands with 700/850 dual band diplexed radios
- Port 1 supports B5/B12/B17/B29 and port 2 supports B14
- Convertible mounting brackets
- DC/AISG pass through B12-B5 bands port
- Quad configuration, 4x4 MIMO ready
Specifications
Product classification
| Product Type | Diplexer |
General specifications
| Color | Gray |
| Common Port Label | Common |
| Modularity | 4-Quad |
| Mounting | Pole | Wall |
| Mounting Pipe Hardware | Band clamps (2) |
| RF Connector Interface | 4.3-10 Female |
| RF Connector Interface Body Style | Long neck |
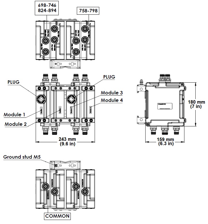
Dimensions
| Height | 180 mm | 7.087 in |
| Width | 243 mm | 9.567 in |
| Depth | 159 mm | 6.260 in |
| Ground Screw Diameter | 5 mm | 0.197 in |
Outline drawing
| Click on image to enlarge. |
Electrical specifications
| Impedance | 50 ohm |
| License Band, Band Pass | CEL 850 | LMR 750 | USA 700 |
Electrical specifications, dc power/alarm
| dc/AISG Pass-through Method | Factory set |
| dc/AISG Pass-through Path | Branch 1 |
| Lightning Surge Current | 5 kA |
| Lightning Surge Current Waveform | 8/20 waveform |
Electrical specifications, aisg
| AISG Carrier | 2176 KHz ± 100 ppm |
| Insertion Loss, maximum | 0.5 dB |
| Return Loss, minimum | 18 dB |
Electrical specifications
| Sub-module | 1 | 2 | 3 | 4 | 1 | 2 | 3 | 4 | 1 | 2 | 3 | 4 |
| Branch | 1 | 1 | 2 |
| Port Designation | B12-B5 | B12-B5 | B14 |
| License Band | USA 700, Band Pass | CEL 850, Band Pass | LMR 750, Band Pass |
Electrical specifications, band pass
| Frequency Range, MHz | 698–746 | 824–894 | 758–798 |
| Insertion Loss, maximum, dB | 0.40 | 0.40 | 0.55 |
| Total Group Delay, maximum, ns | 45 | 15 | 50 |
| Return Loss, typical, dB | 20 | 20 | 20 |
| Isolation, minimum, dB | 35 | 35 | 35 |
| Input Power, RMS, maximum, W | 160 | 160 | 160 |
| Input Power, PEP, maximum, W | 1,600 | 1,600 | 1,600 |
| 3rd Order PIM, maximum, dBc | -155 | -155 | -155 |
| 3rd Order PIM Test Method | 2 x 20 W CW tones | 2 x 20 W CW tones | 2 x 20 W CW tones |
Block diagram
| Click on image to enlarge. |
Mechanical specifications
| Wind Loading @ Velocity, frontal | 64.0 N @ 150 km/h (14.4 lbf @ 150 km/h) |
| Wind Loading @ Velocity, lateral | 32.0 N @ 150 km/h (7.2 lbf @ 150 km/h) |
Environmental specifications
| Operating Temperature | -40 °C to +65 °C (-40 °F to +149 °F) |
| Relative Humidity | 5%–100% |
| Corrosion Test Method | IEC 60068-2-11, 30 days |
| Ingress Protection Test Method | IEC 60529:2001, IP67 |
Packaging and weights
| Included | Mounting hardware |
| Mounting Hardware Weight | 0.5 kg | 1.102 lb |
| Volume | 6.9 L |
| Weight, without mounting hardware | 8.4 kg | 18.519 lb |
Product classification
| Product Type | Diplexer |
General specifications
| Color | Gray |
| Common Port Label | Common |
| Modularity | 4-Quad |
| Mounting | Pole | Wall |
| Mounting Pipe Hardware | Band clamps (2) |
| RF Connector Interface | 4.3-10 Female |
| RF Connector Interface Body Style | Long neck |
Dimensions
| Height | 180 mm | 7.087 in |
| Width | 243 mm | 9.567 in |
| Depth | 159 mm | 6.260 in |
| Ground Screw Diameter | 5 mm | 0.197 in |
Electrical specifications
| Impedance | 50 ohm |
| License Band, Band Pass | CEL 850 | LMR 750 | USA 700 |
Electrical specifications, dc power/alarm
| dc/AISG Pass-through Method | Factory set |
| dc/AISG Pass-through Path | Branch 1 |
| Lightning Surge Current | 5 kA |
| Lightning Surge Current Waveform | 8/20 waveform |
Electrical specifications, aisg
| AISG Carrier | 2176 KHz ± 100 ppm |
| Insertion Loss, maximum | 0.5 dB |
| Return Loss, minimum | 18 dB |
Electrical specifications
| Sub-module | 1 | 2 | 3 | 4 | 1 | 2 | 3 | 4 | 1 | 2 | 3 | 4 |
| Branch | 1 | 1 | 2 |
| Port Designation | B12-B5 | B12-B5 | B14 |
| License Band | USA 700, Band Pass | CEL 850, Band Pass | LMR 750, Band Pass |
Electrical specifications, band pass
| Frequency Range, MHz | 698–746 | 824–894 | 758–798 |
| Insertion Loss, maximum, dB | 0.40 | 0.40 | 0.55 |
| Total Group Delay, maximum, ns | 45 | 15 | 50 |
| Return Loss, typical, dB | 20 | 20 | 20 |
| Isolation, minimum, dB | 35 | 35 | 35 |
| Input Power, RMS, maximum, W | 160 | 160 | 160 |
| Input Power, PEP, maximum, W | 1,600 | 1,600 | 1,600 |
| 3rd Order PIM, maximum, dBc | -155 | -155 | -155 |
| 3rd Order PIM Test Method | 2 x 20 W CW tones | 2 x 20 W CW tones | 2 x 20 W CW tones |
Mechanical specifications
| Wind Loading @ Velocity, frontal | 64.0 N @ 150 km/h (14.4 lbf @ 150 km/h) |
| Wind Loading @ Velocity, lateral | 32.0 N @ 150 km/h (7.2 lbf @ 150 km/h) |
Environmental specifications
| Operating Temperature | -40 °C to +65 °C (-40 °F to +149 °F) |
| Relative Humidity | 5%–100% |
| Corrosion Test Method | IEC 60068-2-11, 30 days |
| Ingress Protection Test Method | IEC 60529:2001, IP67 |
Packaging and weights
| Included | Mounting hardware |
| Mounting Hardware Weight | 0.5 kg | 1.102 lb |
| Volume | 6.9 L |
| Weight, without mounting hardware | 8.4 kg | 18.519 lb |
| Click on image to enlarge. |
| Click on image to enlarge. |
Installation & videos
Installation instruction
Filter Products – Designed for PIM Excellence
Filter Products – Designed for PIM Excellence
Documentation & downloads