CBC1726-DH | E11F02P47
Diplexer, 1800-2100//2300-2600 MHz, dc bypass on 2300-2600 port
Specifications
Product classification
| Product Type | Diplexer |
General specifications
| Product Family | CBC1726 |
| Color | Gray |
| Common Port Label | COMM |
| Modularity | 1-Single |
| Mounting | Pole | Wall |
| Mounting Pipe Hardware | Band clamps (2) |
| RF Connector Interface | 7-16 DIN Female |
| RF Connector Interface Body Style | Medium neck |
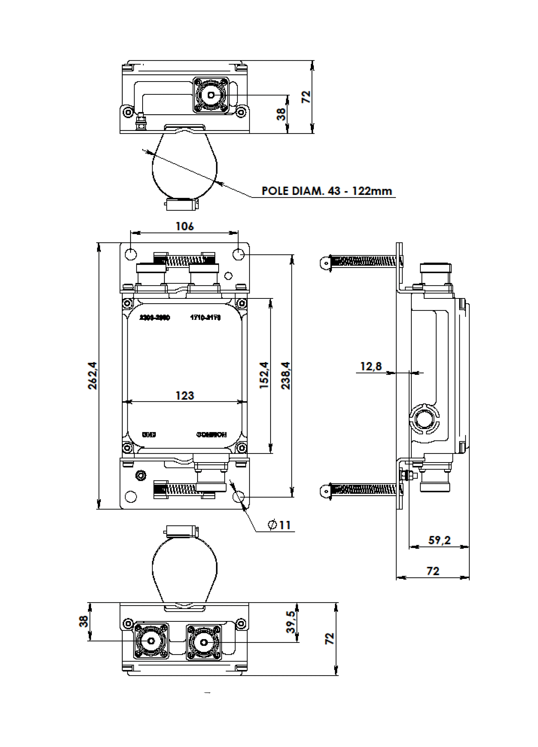
Dimensions
| Height | 152.4 mm | 6 in |
| Width | 123 mm | 4.843 in |
| Depth | 59 mm | 2.323 in |
| Ground Screw Diameter | 6 mm | 0.236 in |
| Mounting Pipe Diameter Range | 42.6–122 mm |
Outline drawing
| Click on image to enlarge. |
Electrical specifications
| Impedance | 50 ohm |
| License Band, Band Pass | AWS 1700 | DCS 1800 | IMT 2100 | IMT 2600 | PCS 1900 | TDD 1900 | TDD 2000 | TDD 2300 | TDD 2600 | WCS 2300 |
Electrical specifications, dc power/alarm
| dc/AISG Pass-through, combiner | Branch 2 |
| dc/AISG Pass-through, demultiplexer | Branch 2 |
| Lightning Surge Current | 3 kA |
| Lightning Surge Current Waveform | 10/350 waveform |
Electrical specifications
| Sub-module | 1 | 1 |
| Branch | 1 | 2 |
| Port Designation | 1710-2170 | 2300-2690 |
| License Band | AWS 1700, Band Pass DCS 1800, Band Pass IMT 2100, Band Pass PCS 1900, Band Pass TDD 1900, Band Pass TDD 2000, Band Pass | IMT 2600, Band Pass TDD 2300, Band Pass TDD 2600, Band Pass WCS 2300, Band Pass |
Electrical specifications, band pass
| Frequency Range, MHz | 1710–2170 | 2300–2690 |
| Insertion Loss, maximum, dB | 0.40 | 0.40 |
| Insertion Loss, typical, dB | 0.30 | 0.35 |
| Total Group Delay, maximum, ns | 30 | 30 |
| Return Loss, minimum, dB | 18 | 18 |
| Return Loss, typical, dB | 20 | 20 |
| Isolation, minimum, dB | 50 | 50 |
| Input Power, PEP, maximum, W | 3,500 | 3,500 |
| 3rd Order PIM, typical, dBc | -155 | -155 |
| 3rd Order PIM Test Method | 1 x 20 W AWS CW tone 1 x 20 W PCS CW tone | 1 x 20 W AWS CW tone 1 x 20 W PCS CW tone |
Block diagram
| Click on image to enlarge. |
Environmental specifications
| Operating Temperature | -40 °C to +60 °C (-40 °F to +140 °F) |
| Relative Humidity | Up to 100% |
| Corrosion Test Method | IEC 60068-2-11, 30 days |
| Ingress Protection Test Method | IEC 60529:2001, IP67 |
Packaging and weights
| Included | Mounting hardware |
| Volume | 1.1 L |
| Weight, net | 2.4 kg | 5.291 lb |
Product classification
| Product Type | Diplexer |
General specifications
| Product Family | CBC1726 |
| Color | Gray |
| Common Port Label | COMM |
| Modularity | 1-Single |
| Mounting | Pole | Wall |
| Mounting Pipe Hardware | Band clamps (2) |
| RF Connector Interface | 7-16 DIN Female |
| RF Connector Interface Body Style | Medium neck |
Dimensions
| Height | 152.4 mm | 6 in |
| Width | 123 mm | 4.843 in |
| Depth | 59 mm | 2.323 in |
| Ground Screw Diameter | 6 mm | 0.236 in |
| Mounting Pipe Diameter Range | 42.6–122 mm |
Electrical specifications
| Impedance | 50 ohm |
| License Band, Band Pass | AWS 1700 | DCS 1800 | IMT 2100 | IMT 2600 | PCS 1900 | TDD 1900 | TDD 2000 | TDD 2300 | TDD 2600 | WCS 2300 |
Electrical specifications, dc power/alarm
| dc/AISG Pass-through, combiner | Branch 2 |
| dc/AISG Pass-through, demultiplexer | Branch 2 |
| Lightning Surge Current | 3 kA |
| Lightning Surge Current Waveform | 10/350 waveform |
Electrical specifications
| Sub-module | 1 | 1 |
| Branch | 1 | 2 |
| Port Designation | 1710-2170 | 2300-2690 |
| License Band | AWS 1700, Band Pass; DCS 1800, Band Pass; IMT 2100, Band Pass; PCS 1900, Band Pass; TDD 1900, Band Pass; TDD 2000, Band Pass | IMT 2600, Band Pass; TDD 2300, Band Pass; TDD 2600, Band Pass; WCS 2300, Band Pass |
Electrical specifications, band pass
| Frequency Range, MHz | 1710–2170 | 2300–2690 |
| Insertion Loss, maximum, dB | 0.40 | 0.40 |
| Insertion Loss, typical, dB | 0.30 | 0.35 |
| Total Group Delay, maximum, ns | 30 | 30 |
| Return Loss, minimum, dB | 18 | 18 |
| Return Loss, typical, dB | 20 | 20 |
| Isolation, minimum, dB | 50 | 50 |
| Input Power, PEP, maximum, W | 3,500 | 3,500 |
| 3rd Order PIM, typical, dBc | -155 | -155 |
| 3rd Order PIM Test Method | 1 x 20 W AWS CW tone; 1 x 20 W PCS CW tone | 1 x 20 W AWS CW tone; 1 x 20 W PCS CW tone |
Environmental specifications
| Operating Temperature | -40 °C to +60 °C (-40 °F to +140 °F) |
| Relative Humidity | Up to 100% |
| Corrosion Test Method | IEC 60068-2-11, 30 days |
| Ingress Protection Test Method | IEC 60529:2001, IP67 |
Packaging and weights
| Included | Mounting hardware |
| Volume | 1.1 L |
| Weight, net | 2.4 kg | 5.291 lb |
| Click on image to enlarge. |
| Click on image to enlarge. |
Installation & videos
Installation instruction
Filter Products – Designed for PIM Excellence
Filter Products – Designed for PIM Excellence
Documentation & downloads