Warning Icon

For other alternatives, please contact us for more information.

0 Alternative products available

CMAX-EXT-43-I53

Base product: DIRECTIONAL-ANTENNAS

Cell-Max™ Low PIM Directional Outdoor Antenna, 698–960 MHz and 1710–2700 MHz, 4.3-10

Finish making your selections or clear them to view relevant specifications.
Download specifications

Product classification

Product Type Over-the-head stadium antenna
Product Brand Cell-Max™

General specifications

Application Indoor/Outdoor
Antenna Type Directional
Antenna Array Characteristic SISO
Polarization Vertical
Color White (RAL 9016)
Mounting Poles between 25–60 mm with supplied clamps
Number of Ports 1
Radome Material PVC, UV resistant
RF Connector Interface 4.3-10 Female

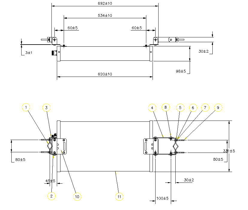
Dimensions

Width 331 mm | 13.032 in
Depth 98 mm | 3.858 in
Length 620 mm | 24.409 in

Electrical specifications

Impedance 50 ohm
Lightning Protection dc Ground
Operating Frequency Band 698 – 960 MHz | 1710 – 2700 MHz
Electrical Note Values typical, unless otherwise stated

Electrical specifications

Frequency Band, MHz 698–800 800–960 1710–2200 2200–2700
Gain, dBi 10.0 11.0 11.0 11.0
Beamwidth, Horizontal, degrees 68 60 60 52
Beamwidth, Vertical, degrees 30 28 30 30
Front-to-Back Ratio at 180°, dB 18 18 20 20
VSWR | Return loss, dB 1.8 | 10.9 1.8 | 10.9 1.8 | 10.9 1.8 | 10.9
PIM, 3rd Order, 2 x 20 W, dBc -153 -153 -153 -153
Input Power per Port, maximum, watts 100 100 100 100

Mechanical specifications

Wind Loading @ Velocity, maximum 686.0 N @ 216 km/h (154.2 lbf @ 216 km/h)
Wind Speed, maximum 216 km/h (134 mph)

Environmental specifications

Operating Temperature -40 °C to +60 °C (-40 °F to +140 °F)
Relative Humidity Up to 100%
Ingress Protection Test Method IEC 60529:2001, IP65

Packaging and weights

Width, packed 350 mm | 13.78 in
Depth, packed 160 mm | 6.299 in
Length, packed 830 mm | 32.677 in
Packaging quantity 1
Weight, gross 7.4 kg | 16.314 lb
Weight, net 4.7 kg | 10.362 lb

Regulatory compliance/certifications

Agency Classification
CHINA-ROHS Below maximum concentration value
ISO 9001:2015 Designed, manufactured and/or distributed under this quality management system
ROHS Compliant
UK-ROHS Compliant
REACH-SVHC Compliant as per SVHC revision on www.andrew.com/ProductCompliance

Product classification

Product Type Over-the-head stadium antenna
Product Brand Cell-Max™

General specifications

Application Indoor/Outdoor
Antenna Type Directional
Antenna Array Characteristic SISO
Polarization Vertical
Color White (RAL 9016)
Mounting Poles between 25–60 mm with supplied clamps
Number of Ports 1
Radome Material PVC, UV resistant
RF Connector Interface 4.3-10 Female

Dimensions

Width 331 mm | 13.032 in
Depth 98 mm | 3.858 in
Length 620 mm | 24.409 in

Electrical specifications

Impedance 50 ohm
Lightning Protection dc Ground
Operating Frequency Band 698 – 960 MHz | 1710 – 2700 MHz
Electrical Note Values typical, unless otherwise stated

Electrical specifications

Frequency Band, MHz 698–800 800–960 1710–2200 2200–2700
Gain, dBi 10.0 11.0 11.0 11.0
Beamwidth, Horizontal, degrees 68 60 60 52
Beamwidth, Vertical, degrees 30 28 30 30
Front-to-Back Ratio at 180°, dB 18 18 20 20
VSWR | Return loss, dB 1.8 | 10.9 1.8 | 10.9 1.8 | 10.9 1.8 | 10.9
PIM, 3rd Order, 2 x 20 W, dBc -153 -153 -153 -153
Input Power per Port, maximum, watts 100 100 100 100

Mechanical specifications

Wind Loading @ Velocity, maximum 686.0 N @ 216 km/h (154.2 lbf @ 216 km/h)
Wind Speed, maximum 216 km/h (134 mph)

Environmental specifications

Operating Temperature -40 °C to +60 °C (-40 °F to +140 °F)
Relative Humidity Up to 100%
Ingress Protection Test Method IEC 60529:2001, IP65

Packaging and weights

Width, packed 350 mm | 13.78 in
Depth, packed 160 mm | 6.299 in
Length, packed 830 mm | 32.677 in
Packaging quantity 1
Weight, gross 7.4 kg | 16.314 lb
Weight, net 4.7 kg | 10.362 lb

Regulatory compliance/certifications

Agency Classification
CHINA-ROHS Below maximum concentration value
ISO 9001:2015 Designed, manufactured and/or distributed under this quality management system
ROHS Compliant
UK-ROHS Compliant
REACH-SVHC Compliant as per SVHC revision on www.andrew.com/ProductCompliance

Product specification

Product specification