Warning Icon

For other alternatives, please contact us for more information.

0 Alternative products available

B2BYM-PI

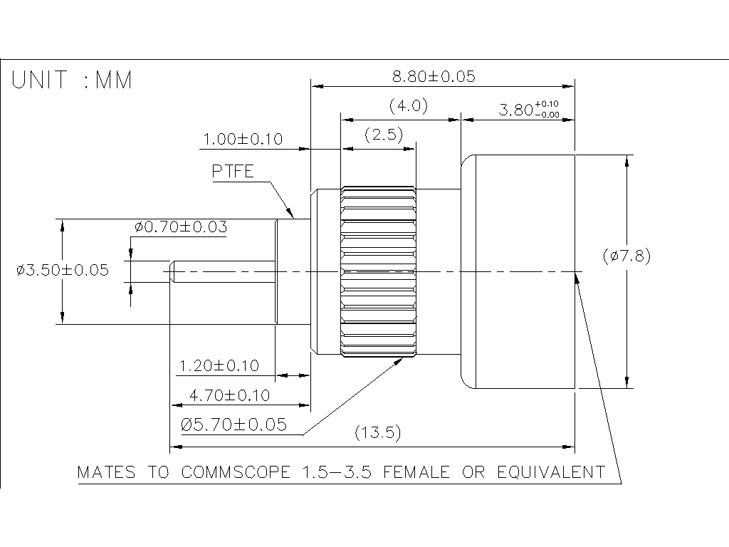
1.5-3.5 Male Straight B2B, Press-In Type on Filter

Finish making your selections or clear them to view relevant specifications.
Download specifications

Product classification

Product Type Device connector

General specifications

Body Style Straight
Inner Contact Attachment Method Solder
Inner Contact Plating Silver
Interface 1.5-3.5 Male
Mounting Angle Straight
Outer Contact Plating Trimetal

Dimensions

Height 7.8 mm | 0.307 in
Width 7.8 mm | 0.307 in
Length 13.5 mm | 0.531 in
Diameter 7.8 mm | 0.307 in

Outline drawing

Click on image to enlarge.

Electrical specifications

3rd Order IMD at Frequency -110 dBm @ 3500 MHz | -117 dBm @ 1800 MHz | -117 dBm @ 2600 MHz | -117 dBm @ 910 MHz
3rd Order IMD Test Method Two +43 dBm carriers
Insertion Loss, maximum 0.1 dB
Connector Impedance 50 ohm
dc Test Voltage 1000 V
Inner Contact Resistance, maximum 2 mOhm
Insulation Resistance, minimum 5000 mOhm
Operating Frequency Band 0 – 6000 MHz
Outer Contact Resistance, maximum 2 mOhm
RF Operating Voltage, maximum (vrms) 500 V

Return loss/vswr

Frequency band Vswr Return loss (db)
450–2200 MHz 1.065 30.04
2200–3800 MHz 1.065 30.04
3800–4200 MHz 1.083 27.99
4200–6000 MHz 1.222 20.01

Mechanical specifications

Insertion Force 15 N | 3.372 lbf
Interface Durability 100 cycles
Interface Durability Method IEC 61169-4:17
Mechanical Shock Test Method IEC 60068-2-27
Radial Float/Misalignment 2.7 °

Environmental specifications

Operating Temperature -55 °C to +85 °C (-67 °F to +185 °F)
Storage Temperature -65 °C to +125 °C (-85 °F to +257 °F)
Attenuation, Ambient Temperature 20 °C | 68 °F
Average Power, Ambient Temperature 40 °C | 104 °F
Average Power, Inner Conductor Temperature 100 °C | 212 °F
Corrosion Test Method IEC 60068-2-11
Thermal Shock Test Method IEC 60068-2-14
Vibration Test Method IEC 60068-2-6

Packaging and weights

Weight, net 1.66 g | 0.004 lb

Product classification

Product Type Device connector

General specifications

Body Style Straight
Inner Contact Attachment Method Solder
Inner Contact Plating Silver
Interface 1.5-3.5 Male
Mounting Angle Straight
Outer Contact Plating Trimetal

Dimensions

Height 7.8 mm | 0.307 in
Width 7.8 mm | 0.307 in
Length 13.5 mm | 0.531 in
Diameter 7.8 mm | 0.307 in

Electrical specifications

3rd Order IMD at Frequency -110 dBm @ 3500 MHz | -117 dBm @ 1800 MHz | -117 dBm @ 2600 MHz | -117 dBm @ 910 MHz
3rd Order IMD Test Method Two +43 dBm carriers
Insertion Loss, maximum 0.1 dB
Connector Impedance 50 ohm
dc Test Voltage 1000 V
Inner Contact Resistance, maximum 2 mOhm
Insulation Resistance, minimum 5000 mOhm
Operating Frequency Band 0 – 6000 MHz
Outer Contact Resistance, maximum 2 mOhm
RF Operating Voltage, maximum (vrms) 500 V

Return loss/vswr

Frequency Band VSWR Return Loss (dB)
450–2200 MHz 1.065 30.04
2200–3800 MHz 1.065 30.04
3800–4200 MHz 1.083 27.99
4200–6000 MHz 1.222 20.01

Mechanical specifications

Insertion Force 15 N | 3.372 lbf
Interface Durability 100 cycles
Interface Durability Method IEC 61169-4:17
Mechanical Shock Test Method IEC 60068-2-27
Radial Float/Misalignment 2.7 °

Environmental specifications

Operating Temperature -55 °C to +85 °C (-67 °F to +185 °F)
Storage Temperature -65 °C to +125 °C (-85 °F to +257 °F)
Attenuation, Ambient Temperature 20 °C | 68 °F
Average Power, Ambient Temperature 40 °C | 104 °F
Average Power, Inner Conductor Temperature 100 °C | 212 °F
Corrosion Test Method IEC 60068-2-11
Thermal Shock Test Method IEC 60068-2-14
Vibration Test Method IEC 60068-2-6

Packaging and weights

Weight, net 1.66 g | 0.004 lb
Click on image to enlarge.

Product specification

Product specification